LBL logo

Buildings.Rooms.FLEXLAB.Rooms.X3A

Models of rooms in test cell X3A

Information

This package contains models of rooms in test cell X3A of the FLEXLAB at LBNL. The following image is a drawing of test cell X3A. It shows how the different rooms in this example are connected, as well as providing the names used in this example for each of the rooms.

Room locations and names in X3AWithRadiantFloor

There are separate models for each room in test cell X3A. The model for the test cell itself is located in Buildings.Rooms.FLEXLAB.Rooms.X3A.TestCell, the model for the connected closet is located at Buildings.Rooms.FLEXLAB.Rooms.X3A.Closet, and the model for the connected electrical room is located at Buildings.Rooms.FLEXLAB.Rooms.X3A.Electrical. Each of the models were developed using construction and parameter information taken from architectural drawings. Accurate use of the models will likely require combining all three room models to each other.

The models in this package are intended to be connected to each other to develop a model of the entirety of test cell X3A. Several of the connections are to be made between walls connecting the two spaces to each other. Detailed information on the wall in each test cell can be found in the documentation for that test cell. The connections between each room in the test cell are described below.

Physical significance of connection Port 1 Port 2
Heat transfer through the partition wall between the test cell and the closet TestCell.surf_conBou[3] Closet.surf_surBou[1]
Heat transfer through the door in the partition wall between the test cell and the closet TestCell.surf_conBou[4] Closet.surf_surBou[2]
Heat transfer through the wall separating the test cell and the electrical room TestCell.surf_conBou[5] Electrical.surf_surBou[1]
Heat transfer through the wall separating the closet and the electrical room Closet.surf_conBou[1] Electrical.surf_surBou[2]

An example of how these room models are connected to create full test cell model can be found in Buildings.Rooms.FLEXLAB.Rooms.Examples.X3AWithRadiantFloor.

Extends from Modelica.Icons.Package (Icon for standard packages).

Package Content

Name Description
Buildings.Rooms.FLEXLAB.Rooms.X3A.Closet Closet Model of the closet connected to test cell X3A
Buildings.Rooms.FLEXLAB.Rooms.X3A.ClosetFullBed ClosetFullBed Model of the closet connected to test cell X3A intended to be connected to X3B.Closet
Buildings.Rooms.FLEXLAB.Rooms.X3A.Electrical Electrical Model of the electrical room attached to test cell X3A
Buildings.Rooms.FLEXLAB.Rooms.X3A.TestCell TestCell Model of LBNL User Test Facility Cell X3A
Buildings.Rooms.FLEXLAB.Rooms.X3A.TestCellFullBed TestCellFullBed Model of LBNL User Test Facility Cell X3A intended for connection with X3B.TestCell

Buildings.Rooms.FLEXLAB.Rooms.X3A.Closet Buildings.Rooms.FLEXLAB.Rooms.X3A.Closet

Model of the closet connected to test cell X3A

Buildings.Rooms.FLEXLAB.Rooms.X3A.Closet

Information

This is a model for the closet attached to test cell 3A in the LBNL User Facility. This documentation describes the wall constructions used in the closet. Documentation describing how it should be connected to other models in the package to form a complete model of test cell X3A can be found in Buildings.Rooms.FLEXLAB.Rooms.X3A.

There are four different wall sections connected to the closet modeled here. They are shown in the figure below.

Wall sections in Closet model

The different wall sections are represented in the model according to the following table.

Wall Section Number Description Location in Model Corresponding Layer
1 North wall on the exterior of the buildings datConExt[1] higIns
2 East wall connected to X3B.Closet datConBou[2] celDiv
3 Air space connected to partition wall and door in TestCell model Wall: datSurBou[1]
Door: datSurBou[2]
4 West wall connected to Electrical datConBou[1] higIns

There are two additional surfaces which are not included in the diagram. One is the model of the roof. It is modeled in datConExt[2] using the layer roo. The other is the floor, which is modeled in datConBou[1] using the layer slaCon.

Several of the connections in this model are intended to be connected to specific surfaces in other room models. The following table describes the connections to models outside of the X3A package.. The connections in datConExt are not described in the table because they are connected to the external environment, and no additional heat port connections are necessary. A rationale for why the model is created this way is also provided if it is considered necessary.

Location in Closet Description of External Connection Location in External Model Rationale
surf_conBou[2] X3B.Closet References a data table A data table is used, instead of a model of X3B.Closet, because the goal of this model is to be able to perform simulations of TestCell with minimal complexity, by simplifying the neighboring test cells. The wall separating the test cells is highly insulated, and it is believed that the error in simulations caused by using a data table will be negligible.
surf_conBou[3] Ground temperature There is no specific connection which is appropriate connection for this construction. surf_conBou[3] represents the floor of the room, and must be connected to a heat port representing the ground temperature.

Extends from Buildings.Rooms.MixedAir (Model of a room in which the air is completely mixed).

Parameters

TypeNameDefaultDescription
ParameterConstructionWithWindowdatConExtWin[NConExtWin]datConExtWin(each T_a_start=...Data for exterior construction with window
ParameterConstructiondatConPar[NConPar]datConPar(each T_a_start=T_s...Data for partition construction
Brick120dummyCon Dummy construction to assign a parameter to the instance
SingleClear3dummyGlaSys Dummy construction to assign a parameter to the instance
replaceable package MediumPartialMediumMedium in the component
Anglelat0.66098585832754Latitude [rad]
AreaAFlo3.93Floor area [m2]
LengthhRoo3.6576Average room height [m]
BooleanlinearizeRadiationtrueSet to true to linearize emissive power
CellAndElectricalDividingWallhigInsredeclare Data.Constructions...High insulation wall. Between X3A closet and exterior, X3A closet and electrical room
TestCellDividngWallcelDivredeclare Data.Constructions...Wall dividing the X3A closet and the X3B closet
ASHRAE_901_2010Roofrooredeclare Data.Constructions...Construction of the roof of the closet in X3A
Exterior constructions
IntegernConExt2Number of exterior constructions
IntegernConExtWin0Number of window constructions
Partition constructions
IntegernConPar0Number of partition constructions
Boundary constructions
IntegernConBou3Number of constructions that have their outside surface exposed to the boundary of this room
IntegernSurBou2Number of surface heat transfer models that connect to constructions that are modeled outside of this room
Convective heat transfer
InteriorConvectionintConModBuildings.HeatTransfer.Types...Convective heat transfer model for room-facing surfaces of opaque constructions
CoefficientOfHeatTransferhIntFixed3.0Constant convection coefficient for room-facing surfaces of opaque constructions [W/(m2.K)]
ExteriorConvectionextConModBuildings.HeatTransfer.Types...Convective heat transfer model for exterior facing surfaces of opaque constructions
CoefficientOfHeatTransferhExtFixed10.0Constant convection coefficient for exterior facing surfaces of opaque constructions [W/(m2.K)]
Nominal condition
MassFlowRatem_flow_nominalV*1.2/3600Nominal mass flow rate [kg/s]
Advanced
BooleanhomotopyInitializationtrue= true, use homotopy method
Dynamics
Equations
DynamicsenergyDynamicsModelica.Fluid.Types.Dynamic...Formulation of energy balance
DynamicsmassDynamicsenergyDynamicsFormulation of mass balance
RealmSenFac1Factor for scaling the sensible thermal mass of the volume
Initialization
AbsolutePressurep_startMedium.p_defaultStart value of pressure [Pa]
TemperatureT_startMedium.T_defaultStart value of temperature [K]
MassFractionX_start[Medium.nX]Medium.X_defaultStart value of mass fractions m_i/m [kg/kg]
ExtraPropertyC_start[Medium.nC]fill(0, Medium.nC)Start value of trace substances
ExtraPropertyC_nominal[Medium.nC]fill(1E-2, Medium.nC)Nominal value of trace substances. (Set to typical order of magnitude.)

Connectors

TypeNameDescription
VesselFluidPorts_bports[nPorts]Fluid inlets and outlets
HeatPort_aheaPorAirHeat port to air volume
HeatPort_aheaPorRadHeat port for radiative heat gain and radiative temperature
HeatPort_asurf_conBou[nConBou]Heat port at surface b of construction conBou
HeatPort_asurf_surBou[nSurBou]Heat port of surface that is connected to the room air
input RealInputqGai_flow[3]Radiant, convective and latent heat input into room (positive if heat gain) [W/m2]
BusweaBus 
input RealInputuSha[nConExtWin]Control signal for the shading device (removed if no shade is present)

Modelica definition

model Closet "Model of the closet connected to test cell X3A" extends Buildings.Rooms.MixedAir( hRoo = 3.6576, AFlo = 3.93, lat = 0.66098585832754, nConExt = 2, nConBou = 3, nSurBou = 2, nConExtWin = 0, nConPar = 0, surBou( A = {3.6576 * 2.886075 - 2.39*1.22, 2.39 * 1.22}, each absIR = 0.9, each absSol = 0.9, each til=Buildings.Types.Tilt.Wall), datConExt( layers = {higIns, roo}, A = {3.6576 * 1.667, AFlo}, til = {Buildings.Types.Tilt.Wall, Buildings.Types.Tilt.Ceiling}, azi = {Buildings.Types.Azimuth.N, Buildings.Types.Azimuth.N}), datConBou( layers = {higIns, celDiv, slaCon}, A = {3.6576*1.524, 3.6576 * 1.524, 3.93}, til = {Buildings.Types.Tilt.Wall, Buildings.Types.Tilt.Wall, Buildings.Types.Tilt.Floor}, azi = {Buildings.Types.Azimuth.W, Buildings.Types.Azimuth.E, Buildings.Types.Azimuth.N})); replaceable Data.Constructions.OpaqueConstructions.DividingWalls.CellAndElectricalDividingWall higIns "High insulation wall. Between X3A closet and exterior, X3A closet and electrical room"; replaceable Data.Constructions.OpaqueConstructions.DividingWalls.TestCellDividngWall celDiv "Wall dividing the X3A closet and the X3B closet"; replaceable Data.Constructions.OpaqueConstructions.Roofs.ASHRAE_901_2010Roof roo "Construction of the roof of the closet in X3A"; HeatTransfer.Data.OpaqueConstructions.Generic slaCon(nLay=3, material={ Buildings.HeatTransfer.Data.Solids.Generic( x=0.1524, k=1.13, c=1000, d=1400, nSta=5), Buildings.HeatTransfer.Data.Solids.Generic( x=0.127, k=0.036, c=1200, d=40), Buildings.HeatTransfer.Data.Solids.Generic( x=0.2, k=1.8, c=1100, d=2400)}) "Construction of the slab"; end Closet;

Buildings.Rooms.FLEXLAB.Rooms.X3A.ClosetFullBed Buildings.Rooms.FLEXLAB.Rooms.X3A.ClosetFullBed

Model of the closet connected to test cell X3A intended to be connected to X3B.Closet

Buildings.Rooms.FLEXLAB.Rooms.X3A.ClosetFullBed

Information

This is a duplicate model of Buildings.Rooms.FLEXLAB.Rooms.X3A.Closet with the wall separating this model and Buildings.Rooms.FLEXLAB.Rooms.X3B.Closet removed. It is intended for use in simulations which include both room models to simulate the whole test bed. If the regular models are used the wall separating the closets will be modeled twice, so one model must have the wall removed. This documentation only describes the walls and connections which are different from Buildings.Rooms.FLEXLAB.Rooms.X3A.Closet. For information on the rest of the walls and connections see that documentation.

There are four different wall sections connected to the closet modeled here. They are shown in the figure below. Only wall section 2 is described in this documentation.

Wall sections in Closet model

The different wall sections are represented in the model according to the following table.

Wall Section Number Description Location in Model Corresponding Layer
2 Dividing wall modeled in X3B.Closet surBou[3]

As a result of removing the dividing wall construction, the location of the construction of the floor has changed. The following table shows the old and new location of this wall construction.

Physical Description Location in Closet Location in ClosetNoCelDiv
Construction modeling the floor datConBou[3] datConBou[2]

Several of the connections in this model are intended to be connected to specific surfaces in other room models. The following table describes the connections to models outside of the X3A package. The connections in datConExt are not described in the table because they are connected to the external environment, and no additional heat port connections are necessary. A rationale for why the model is created this way is also provided if it is considered necessary.

Location in Closet Description of External Connection Location in External Model Rationale
surf_surBou[3] X3B.Closet X3B.Closet.surf_conBou[2] X3B.Closet.surf_conBou[2] is the location of the cell dividing wall in the neighboring closet. Connecting X3A.ClosetNoCelDiv.surf_surBou[3] to this port models heat transfer from the wall in X3B.Closet to the air in this space.

Extends from Buildings.Rooms.MixedAir (Model of a room in which the air is completely mixed).

Parameters

TypeNameDefaultDescription
ParameterConstructionWithWindowdatConExtWin[NConExtWin]datConExtWin(each T_a_start=...Data for exterior construction with window
ParameterConstructiondatConPar[NConPar]datConPar(each T_a_start=T_s...Data for partition construction
Brick120dummyCon Dummy construction to assign a parameter to the instance
SingleClear3dummyGlaSys Dummy construction to assign a parameter to the instance
replaceable package MediumPartialMediumMedium in the component
Anglelat0.66098585832754Latitude [rad]
AreaAFlo3.93Floor area [m2]
LengthhRoo3.6576Average room height [m]
BooleanlinearizeRadiationtrueSet to true to linearize emissive power
CellAndElectricalDividingWallhigInsredeclare Data.Constructions...High insulation wall. Between X3A closet and exterior, X3A closet and electrical room
TestCellDividngWallcelDivredeclare Data.Constructions...Wall dividing the X3A closet and the X3B closet
ASHRAE_901_2010Roofrooredeclare Data.Constructions...Construction of the roof of the closet in X3A
Exterior constructions
IntegernConExt2Number of exterior constructions
IntegernConExtWin0Number of window constructions
Partition constructions
IntegernConPar0Number of partition constructions
Boundary constructions
IntegernConBou2Number of constructions that have their outside surface exposed to the boundary of this room
IntegernSurBou3Number of surface heat transfer models that connect to constructions that are modeled outside of this room
Convective heat transfer
InteriorConvectionintConModBuildings.HeatTransfer.Types...Convective heat transfer model for room-facing surfaces of opaque constructions
CoefficientOfHeatTransferhIntFixed3.0Constant convection coefficient for room-facing surfaces of opaque constructions [W/(m2.K)]
ExteriorConvectionextConModBuildings.HeatTransfer.Types...Convective heat transfer model for exterior facing surfaces of opaque constructions
CoefficientOfHeatTransferhExtFixed10.0Constant convection coefficient for exterior facing surfaces of opaque constructions [W/(m2.K)]
Nominal condition
MassFlowRatem_flow_nominalV*1.2/3600Nominal mass flow rate [kg/s]
Advanced
BooleanhomotopyInitializationtrue= true, use homotopy method
Dynamics
Equations
DynamicsenergyDynamicsModelica.Fluid.Types.Dynamic...Formulation of energy balance
DynamicsmassDynamicsenergyDynamicsFormulation of mass balance
RealmSenFac1Factor for scaling the sensible thermal mass of the volume
Initialization
AbsolutePressurep_startMedium.p_defaultStart value of pressure [Pa]
TemperatureT_startMedium.T_defaultStart value of temperature [K]
MassFractionX_start[Medium.nX]Medium.X_defaultStart value of mass fractions m_i/m [kg/kg]
ExtraPropertyC_start[Medium.nC]fill(0, Medium.nC)Start value of trace substances
ExtraPropertyC_nominal[Medium.nC]fill(1E-2, Medium.nC)Nominal value of trace substances. (Set to typical order of magnitude.)

Connectors

TypeNameDescription
VesselFluidPorts_bports[nPorts]Fluid inlets and outlets
HeatPort_aheaPorAirHeat port to air volume
HeatPort_aheaPorRadHeat port for radiative heat gain and radiative temperature
HeatPort_asurf_conBou[nConBou]Heat port at surface b of construction conBou
HeatPort_asurf_surBou[nSurBou]Heat port of surface that is connected to the room air
input RealInputqGai_flow[3]Radiant, convective and latent heat input into room (positive if heat gain) [W/m2]
BusweaBus 
input RealInputuSha[nConExtWin]Control signal for the shading device (removed if no shade is present)

Modelica definition

model ClosetFullBed "Model of the closet connected to test cell X3A intended to be connected to X3B.Closet" extends Buildings.Rooms.MixedAir( hRoo = 3.6576, AFlo = 3.93, lat = 0.66098585832754, nConExt = 2, nConBou = 2, nSurBou = 3, nConExtWin = 0, nConPar = 0, surBou( A = {3.6576 * 2.886075 - 2.39*1.22, 2.39 * 1.22, 3.6576 * 1.524}, each absIR = 0.9, each absSol = 0.9, each til=Buildings.Types.Tilt.Wall), datConExt( layers = {higIns, roo}, A = {3.6576 * 1.667, AFlo}, til = {Buildings.Types.Tilt.Wall, Buildings.Types.Tilt.Ceiling}, azi = {Buildings.Types.Azimuth.N, Buildings.Types.Azimuth.N}), datConBou( layers = {higIns, slaCon}, A = {3.6576*1.524, 3.93}, til = {Buildings.Types.Tilt.Wall, Buildings.Types.Tilt.Floor}, azi = {Buildings.Types.Azimuth.W, Buildings.Types.Azimuth.N})); replaceable Data.Constructions.OpaqueConstructions.DividingWalls.CellAndElectricalDividingWall higIns "High insulation wall. Between X3A closet and exterior, X3A closet and electrical room"; replaceable Data.Constructions.OpaqueConstructions.DividingWalls.TestCellDividngWall celDiv "Wall dividing the X3A closet and the X3B closet"; replaceable Data.Constructions.OpaqueConstructions.Roofs.ASHRAE_901_2010Roof roo "Construction of the roof of the closet in X3A"; HeatTransfer.Data.OpaqueConstructions.Generic slaCon(nLay=3, material={ Buildings.HeatTransfer.Data.Solids.Generic( x=0.1524, k=1.13, c=1000, d=1400, nSta=5), Buildings.HeatTransfer.Data.Solids.Generic( x=0.127, k=0.036, c=1200, d=40), Buildings.HeatTransfer.Data.Solids.Generic( x=0.2, k=1.8, c=1100, d=2400)}) "Construction of the slab"; end ClosetFullBed;

Buildings.Rooms.FLEXLAB.Rooms.X3A.Electrical Buildings.Rooms.FLEXLAB.Rooms.X3A.Electrical

Model of the electrical room attached to test cell X3A

Buildings.Rooms.FLEXLAB.Rooms.X3A.Electrical

Information

This is a model for the electrical room connected to test cell 3A in the LBNL User Facility. Other models are provided for the main space of the test cell and the connected closet. This documentation describes the wall constructions used in the electrical room model. For documentation describing how the room models are to be connected to develop a model of the entire X3A test cell see Buildings.Rooms.FLEXLAB.Rooms.X3A.

There are 4 different wall sections described in the model. They are shown in the figure below.

Wall sections in TestCell model

The different wall sections are entered into the model according to the following table.

Wall Section Number Description Location in Model Corresponding Layer
1 North exterior wall datConExt[1] eleExt
2 East air space connecting to Closet surBou[2]
3 South air space connecting to TestCell surBou[1]
4 West exterior door and wall Door: datConExt[3]
Wall: datConExt[2]
Door: eleExt
Wall: extDooUn

There are two additional surfaces which are not included in the diagram. One is the model of the roof. It is modeled in datConExt[4] using the layer roo. The other is the floor, which is modeled in datConBou[1] using the layer slaCon.

Several of the connections in this model are intended to be connected to specific surfaces in other room models. The following table describes the connections to rooms which are not in the X3A package. The constructions in datConExt are not described in the table because they are connected to the external environment, and no additional heat port connections are necessary. A rationale for why the model is created this way is also provided if it is considered necessary.

Location in Electrical Description of External Connection Rationale
surf_conBou[1] Connection to ground temperature model This port represents the bottom of the floor in the space. It is to be connected to a heat port representing the temperature of the ground.

Extends from Buildings.Rooms.MixedAir (Model of a room in which the air is completely mixed).

Parameters

TypeNameDefaultDescription
ParameterConstructionWithWindowdatConExtWin[NConExtWin]datConExtWin(each T_a_start=...Data for exterior construction with window
ParameterConstructiondatConPar[NConPar]datConPar(each T_a_start=T_s...Data for partition construction
Brick120dummyCon Dummy construction to assign a parameter to the instance
SingleClear3dummyGlaSys Dummy construction to assign a parameter to the instance
replaceable package MediumPartialMediumMedium in the component
Anglelat0.66098585832754Latitude [rad]
AreaAFlo2.39Floor area [m2]
LengthhRoo3.6576Average room height [m]
BooleanlinearizeRadiationtrueSet to true to linearize emissive power
Construction3eleExtredeclare Data.Constructions...Construction describing the exterior walls in the electrical room
ExteriorDoorUninsulatedextDooUnredeclare Data.Constructions...Construction describing the door in the electrical room
ASHRAE_901_2010Roofrooredeclare Data.Constructions...Construction describing the roof of the electrical room
Exterior constructions
IntegernConExt4Number of exterior constructions
IntegernConExtWin0Number of window constructions
Partition constructions
IntegernConPar0Number of partition constructions
Boundary constructions
IntegernConBou1Number of constructions that have their outside surface exposed to the boundary of this room
IntegernSurBou2Number of surface heat transfer models that connect to constructions that are modeled outside of this room
Convective heat transfer
InteriorConvectionintConModBuildings.HeatTransfer.Types...Convective heat transfer model for room-facing surfaces of opaque constructions
CoefficientOfHeatTransferhIntFixed3.0Constant convection coefficient for room-facing surfaces of opaque constructions [W/(m2.K)]
ExteriorConvectionextConModBuildings.HeatTransfer.Types...Convective heat transfer model for exterior facing surfaces of opaque constructions
CoefficientOfHeatTransferhExtFixed10.0Constant convection coefficient for exterior facing surfaces of opaque constructions [W/(m2.K)]
Nominal condition
MassFlowRatem_flow_nominalV*1.2/3600Nominal mass flow rate [kg/s]
Advanced
BooleanhomotopyInitializationtrue= true, use homotopy method
Dynamics
Equations
DynamicsenergyDynamicsModelica.Fluid.Types.Dynamic...Formulation of energy balance
DynamicsmassDynamicsenergyDynamicsFormulation of mass balance
RealmSenFac1Factor for scaling the sensible thermal mass of the volume
Initialization
AbsolutePressurep_startMedium.p_defaultStart value of pressure [Pa]
TemperatureT_startMedium.T_defaultStart value of temperature [K]
MassFractionX_start[Medium.nX]Medium.X_defaultStart value of mass fractions m_i/m [kg/kg]
ExtraPropertyC_start[Medium.nC]fill(0, Medium.nC)Start value of trace substances
ExtraPropertyC_nominal[Medium.nC]fill(1E-2, Medium.nC)Nominal value of trace substances. (Set to typical order of magnitude.)

Connectors

TypeNameDescription
VesselFluidPorts_bports[nPorts]Fluid inlets and outlets
HeatPort_aheaPorAirHeat port to air volume
HeatPort_aheaPorRadHeat port for radiative heat gain and radiative temperature
HeatPort_asurf_conBou[nConBou]Heat port at surface b of construction conBou
HeatPort_asurf_surBou[nSurBou]Heat port of surface that is connected to the room air
input RealInputqGai_flow[3]Radiant, convective and latent heat input into room (positive if heat gain) [W/m2]
BusweaBus 
input RealInputuSha[nConExtWin]Control signal for the shading device (removed if no shade is present)

Modelica definition

model Electrical "Model of the electrical room attached to test cell X3A" extends Buildings.Rooms.MixedAir( hRoo = 3.6576, AFlo = 2.39, lat = 0.66098585832754, nSurBou = 2, nConExt=4, nConExtWin=0, nConPar=0, nConBou=1, surBou( A = {3.6576 * 1.2641, 3.6576 * 1.524}, each absIR = 0.9, each absSol = 0.9, each til = Buildings.Types.Tilt.Wall), datConExt( layers = {eleExt, eleExt, extDooUn, roo}, A = {3.6576 * 1.26413, 3.6576 * 1.524 - 2.38658 * 1.524, 2.38658*1.524, 2.39}, til = {Buildings.Types.Tilt.Wall, Buildings.Types.Tilt.Wall, Buildings.Types.Tilt.Wall, Buildings.Types.Tilt.Ceiling}, azi = {Buildings.Types.Azimuth.N, Buildings.Types.Azimuth.W, Buildings.Types.Azimuth.W, Buildings.Types.Azimuth.N}), datConBou( layers = {slaCon}, A = {2.39}, til = {Buildings.Types.Tilt.Floor}, azi = {Buildings.Types.Azimuth.N})); replaceable Data.Constructions.OpaqueConstructions.ExteriorConstructions.Construction3 eleExt "Construction describing the exterior walls in the electrical room"; replaceable Data.Constructions.OpaqueConstructions.ExteriorConstructions.ExteriorDoorUninsulated extDooUn "Construction describing the door in the electrical room"; replaceable Data.Constructions.OpaqueConstructions.Roofs.ASHRAE_901_2010Roof roo "Construction describing the roof of the electrical room"; HeatTransfer.Data.OpaqueConstructions.Generic slaCon(nLay=3, material={ Buildings.HeatTransfer.Data.Solids.Generic( x=0.1524, k=1.13, c=1000, d=1400, nSta=5), Buildings.HeatTransfer.Data.Solids.Generic( x=0.127, k=0.036, c=1200, d=40), Buildings.HeatTransfer.Data.Solids.Generic( x=0.2, k=1.8, c=1100, d=2400)}) "Construction of the slab"; end Electrical;

Buildings.Rooms.FLEXLAB.Rooms.X3A.TestCell Buildings.Rooms.FLEXLAB.Rooms.X3A.TestCell

Model of LBNL User Test Facility Cell X3A

Buildings.Rooms.FLEXLAB.Rooms.X3A.TestCell

Information

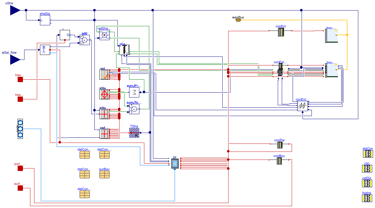
This is a model for test cell 3A in the LBNL User Facility. This model is intended to represent the main space in test cell 3A. This documentation describes the wall constructions used to model test cell X3A. Documentation describing how it is to be combined to other room models to create a model of the full test cell can be found in Buildings.Rooms.FLEXLAB.Rooms.X3A.

There are 7 different wall sections described in the model. They are shown in the figure below.

Wall sections in test cell model

The different wall sections are entered into the model according to the following table.

Wall Section Number Description Location in Model Corresponding Layer
1 The west wall is modeled in two parts. One part represents the dividing wall between test cells X3A and X2B. The other part represents a portion of the wall exposed to the ambient conditions. Wall 1 is the section of wall connected to test cell X2B. datConBou[1] bedDiv
2 The west wall is modeled in two parts. One part represents the dividing wall between test cell X3A and test cell X2B. The other part represents a portion of the wall exposed to the ambient conditions. Wall 2 is the section of wall exposed to ambient conditions. datConExt[4] bedDiv
3 This is the north exterior wall of test cell X3A. There are actually two constructions used here. One construction models the wall, the other construction models a door. The area calculation for the wall in the model shows the calculation of the total wall area minus the door area. Door: datConExt[1]; Wall: datConExt[2] Door: extDoo; Wall: R16p8Wal
4 This north wall borders an electrical room. It models the heat transfer between test cell X3A and the externally modeled electrical room. For an example see Buildings.Rooms.FLEXLAB.Rooms.Examples.X3AWithRadiantFloor. datConBou[5] R52Wal
5 This north wall borders an externally modeled closet. For an example see Buildings.Rooms.FLEXLAB.Rooms.Examples.X3AWithRadiantFloor. Similar to wall section 3 this wall section contains both a wall construction and a door construction. The wall area calculation shows the total wall area minus the door area. Door: datConBou[4]; Wall: datConBou[3] Door: parDoo; Wall: parCon
6 This east wall connects to test cell UF90X3B. This wall is removable, but this model was developed assuming that the wall is installed. datConBou[2] celDiv
7 This is the south wall of test cell X3A. It includes both a wall construction and windows. The bottoms of the windows are 3 ft above the floor. datConExtWin[1] Window: glaSys; Wall: R16p8Wal

An eigth construction, not shown in the figure, models the ceiling. It is modeled in datConExt[3] using the layer R20Wal.

The test cell can be configured with several different floor types. The options include radiant conditioning, a slab on grade floor with no conditioning, or a raised floor. Because of this uncertainty in floor design, a model of the floor itself is not included in this model. The user must include a model for the floor in any applications of this model.

Several of the connections in this model are intended to be connected to specific surfaces in other room models. The following table describes the connections to models outside of the X3A package. The connections in datConExt are not described in the table because they are connected to the external environment, and no additional heat port connections are necessary. A rationale for why the model is created this way is also provided if it is considered necessary.

Location in TestCell Description of External Connection Location in External Model Rationale
surf_conBou[1] Temperature of test cell X2B References a data table A data table is used, instead of a model of test cell X2B, because the goal of this model is to be able to perform simulations of TestCell with minimal complexity, by simplifying the neighboring test cells. The wall separating the test beds is highly insulated, and it is believed that the error in simulations caused by using a data table will be negligible.
surf_conBou[2] Temperature of test cell X3B References a data table See rationale for surf_ConBou[1]

Extends from Buildings.Rooms.MixedAir (Model of a room in which the air is completely mixed).

Parameters

TypeNameDefaultDescription
ParameterConstructiondatConPar[NConPar]datConPar(each T_a_start=T_s...Data for partition construction
Brick120dummyCon Dummy construction to assign a parameter to the instance
SingleClear3dummyGlaSys Dummy construction to assign a parameter to the instance
replaceable package MediumPartialMediumMedium in the component
Anglelat0.66098585832754Latitude [rad]
AreaAFlo60.97Floor area [m2]
LengthhRoo3.6576Average room height [m]
BooleanlinearizeRadiationtrueSet to true to linearize emissive power
Construction10and23R16p8Walredeclare Data.Constructions... 
CellAndElectricalDividingWallR52Walredeclare Data.Constructions... 
ASHRAE_901_2010RoofR20Walredeclare Data.Constructions... 
ASHRAE901GlaglaSysredeclare Data.Constructions... 
PartitionWallparConredeclare Data.Constructions... 
TestCellDividngWallcelDivredeclare Data.Constructions...Construction of wall connecting to cell UF90X3B
TestBedDividingWallbedDivredeclare Data.Constructions...Construction of wall connecting to cell UF90X2B
PartitionDoorparDooredeclare Data.Constructions...Door used in partition walls in FLEXLAB test cells
ExteriorDoorInsulatedextDooredeclare Data.Constructions...Construction of an exterior door
Exterior constructions
IntegernConExt4Number of exterior constructions
IntegernConExtWin1Number of window constructions
Partition constructions
IntegernConPar0Number of partition constructions
Boundary constructions
IntegernConBou5Number of constructions that have their outside surface exposed to the boundary of this room
IntegernSurBou4Number of surface heat transfer models that connect to constructions that are modeled outside of this room
Convective heat transfer
InteriorConvectionintConModBuildings.HeatTransfer.Types...Convective heat transfer model for room-facing surfaces of opaque constructions
CoefficientOfHeatTransferhIntFixed3.0Constant convection coefficient for room-facing surfaces of opaque constructions [W/(m2.K)]
ExteriorConvectionextConModBuildings.HeatTransfer.Types...Convective heat transfer model for exterior facing surfaces of opaque constructions
CoefficientOfHeatTransferhExtFixed10.0Constant convection coefficient for exterior facing surfaces of opaque constructions [W/(m2.K)]
Nominal condition
MassFlowRatem_flow_nominalV*1.2/3600Nominal mass flow rate [kg/s]
Advanced
BooleanhomotopyInitializationtrue= true, use homotopy method
Dynamics
Equations
DynamicsenergyDynamicsModelica.Fluid.Types.Dynamic...Formulation of energy balance
DynamicsmassDynamicsenergyDynamicsFormulation of mass balance
RealmSenFac1Factor for scaling the sensible thermal mass of the volume
Initialization
AbsolutePressurep_startMedium.p_defaultStart value of pressure [Pa]
TemperatureT_startMedium.T_defaultStart value of temperature [K]
MassFractionX_start[Medium.nX]Medium.X_defaultStart value of mass fractions m_i/m [kg/kg]
ExtraPropertyC_start[Medium.nC]fill(0, Medium.nC)Start value of trace substances
ExtraPropertyC_nominal[Medium.nC]fill(1E-2, Medium.nC)Nominal value of trace substances. (Set to typical order of magnitude.)

Connectors

TypeNameDescription
VesselFluidPorts_bports[nPorts]Fluid inlets and outlets
HeatPort_aheaPorAirHeat port to air volume
HeatPort_aheaPorRadHeat port for radiative heat gain and radiative temperature
HeatPort_asurf_conBou[nConBou]Heat port at surface b of construction conBou
HeatPort_asurf_surBou[nSurBou]Heat port of surface that is connected to the room air
input RealInputqGai_flow[3]Radiant, convective and latent heat input into room (positive if heat gain) [W/m2]
BusweaBus 
input RealInputuSha[nConExtWin]Control signal for the shading device (removed if no shade is present)

Modelica definition

model TestCell "Model of LBNL User Test Facility Cell X3A" extends Buildings.Rooms.MixedAir(AFlo=60.97, nSurBou=4, nConPar=0, nConBou=5, nConExt=4, nConExtWin=1, hRoo=3.6576, surBou( A = {6.645*3.09, 6.645*1.51, 6.645*0.91, 6.645*3.65}, each absIR=0.9, each absSol=0.9, each til=Buildings.Types.Tilt.Floor), datConExt( layers={extDoo, R16p8Wal, R20Wal, bedDiv}, A={1.3716 * 2.39, 3.6576*2.52-2.39*1.3716, 6.6675*9.144, 3.6576 * 1.524}, til={Buildings.Types.Tilt.Wall, Buildings.Types.Tilt.Wall, Buildings.Types.Tilt.Ceiling, Buildings.Types.Tilt.Wall}, azi={Buildings.Types.Azimuth.N,Buildings.Types.Azimuth.N, Buildings.Types.Azimuth.S, Buildings.Types.Azimuth.W}), datConBou( layers = {bedDiv,celDiv, parCon, parDoo, R52Wal}, A = {3.6576 * 7.62, 3.6576 * 9.144, 3.6576*2.886075-2.39*1.22, 2.39*1.22, 3.6576*1.2614}, til = {Buildings.Types.Tilt.Wall, Buildings.Types.Tilt.Wall, Buildings.Types.Tilt.Wall, Buildings.Types.Tilt.Wall, Buildings.Types.Tilt.Wall}, azi = {Buildings.Types.Azimuth.W, Buildings.Types.Azimuth.E, Buildings.Types.Azimuth.N, Buildings.Types.Azimuth.N, Buildings.Types.Azimuth.N}), datConExtWin( layers={R16p8Wal}, A={6.6675*3.6576}, glaSys={glaSys}, hWin={1.8288}, wWin={5.88}, til={Buildings.Types.Tilt.Wall}, azi={Buildings.Types.Azimuth.S}), intConMod=Buildings.HeatTransfer.Types.InteriorConvection.Temperature, extConMod=Buildings.HeatTransfer.Types.ExteriorConvection.TemperatureWind, lat=0.66098585832754); replaceable Data.Constructions.OpaqueConstructions.ExteriorConstructions.Construction10and23 R16p8Wal; replaceable Data.Constructions.OpaqueConstructions.DividingWalls.CellAndElectricalDividingWall R52Wal; replaceable Data.Constructions.OpaqueConstructions.Roofs.ASHRAE_901_2010Roof R20Wal; replaceable Data.Constructions.GlazingSystems.ASHRAE901Gla glaSys; replaceable Data.Constructions.OpaqueConstructions.PartitionConstructions.PartitionWall parCon; replaceable Data.Constructions.OpaqueConstructions.DividingWalls.TestCellDividngWall celDiv "Construction of wall connecting to cell UF90X3B"; replaceable Data.Constructions.OpaqueConstructions.DividingWalls.TestBedDividingWall bedDiv "Construction of wall connecting to cell UF90X2B"; replaceable Data.Constructions.OpaqueConstructions.PartitionConstructions.PartitionDoor parDoo "Door used in partition walls in FLEXLAB test cells"; replaceable Data.Constructions.OpaqueConstructions.ExteriorConstructions.ExteriorDoorInsulated extDoo "Construction of an exterior door"; end TestCell;

Buildings.Rooms.FLEXLAB.Rooms.X3A.TestCellFullBed Buildings.Rooms.FLEXLAB.Rooms.X3A.TestCellFullBed

Model of LBNL User Test Facility Cell X3A intended for connection with X3B.TestCell

Buildings.Rooms.FLEXLAB.Rooms.X3A.TestCellFullBed

Information

This is a duplicate model of Buildings.Rooms.FLEXLAB.Rooms.X3A.TestCell with the wall separating X3A and X3B removed. It is designed for simulations where both X3A and X3B are used in the simulation to model the whole test bed. If a simulation is created using TestCell from both packages the dividing wall will be modeled twice, so one of the two models used must be created without the dividing wall in the model.

This documentation states only the items which are different from the Buildings.Rooms.FLEXLAB.Rooms.X3A.TestCell model. For documentation on the rest of the walls and connections see that documentation instead.

There are 7 different wall sections described in the model. They are shown in the figure below. This documentation only describes wall section 6.

Wall sections in test cell model

The different wall sections are entered into the model according to the following table.

Wall Section Number Description Location in Model Corresponding Layer
6 This east wall connects to test cell X3B. This model contains an air gap instead of a model of the wall. It is intended to be connected to the wall model in X3B. surBou[2]

Because wall section 6 was moved from datConBou[2] to surBou[2] the reference for other constructions in datConBou have changed as well. These changes are documented in the following table.

Wall Section Number Physical Description Location in TestCell Location in TestCelNoDiv
4 Insulated wall separating the test cell and the electrical room datConBou[5] datConBou[4]
5 Partition wall and door separating the test cell and the closet Wall: datConBou[3]
Door: datConBou[4]
Wall: datConBou[2]
Door: datConBou[3]

Several of the connections in this model are intended to be connected to specific surfaces in other room models. The following table describes the connections to models outside of the X3A package. The connections in datConExt are not described in the table because they are connected to the external environment, and no additional heat port connections are necessary. A rationale for why the model is created this way is also provided if it is considered necessary.

Location in TestCell Description of External Connection Location in External Model Rationale
surf_surBou[2] Dividing wall modeled in X3B.TestCell X3B.TestCell.surf_conBou[1] X3B.TestCell.surf_conBou[1] is the location of the cell dividing wall in the neighboring test cell. Connecting X3A.TestCellNoCelDiv.surf_surBou[2] to this port models heat transfer from the wall in X3B.TestCell to the air in this space.

Extends from Buildings.Rooms.MixedAir (Model of a room in which the air is completely mixed).

Parameters

TypeNameDefaultDescription
ParameterConstructiondatConPar[NConPar]datConPar(each T_a_start=T_s...Data for partition construction
Brick120dummyCon Dummy construction to assign a parameter to the instance
SingleClear3dummyGlaSys Dummy construction to assign a parameter to the instance
replaceable package MediumPartialMediumMedium in the component
Anglelat0.66098585832754Latitude [rad]
AreaAFlo60.97Floor area [m2]
LengthhRoo3.6576Average room height [m]
BooleanlinearizeRadiationtrueSet to true to linearize emissive power
Construction10and23R16p8Walredeclare Data.Constructions... 
CellAndElectricalDividingWallR52Walredeclare Data.Constructions... 
ASHRAE_901_2010RoofR20Walredeclare Data.Constructions... 
ASHRAE901GlaglaSysredeclare Data.Constructions... 
PartitionWallparConredeclare Data.Constructions... 
TestCellDividngWallcelDivredeclare Data.Constructions...Construction of wall connecting to cell UF90X3B
TestBedDividingWallbedDivredeclare Data.Constructions...Construction of wall connecting to cell UF90X2B
PartitionDoorparDooredeclare Data.Constructions...Door used in partition walls in FLEXLAB test cells
ExteriorDoorInsulatedextDooredeclare Data.Constructions...Construction of an exterior door
Exterior constructions
IntegernConExt4Number of exterior constructions
IntegernConExtWin1Number of window constructions
Partition constructions
IntegernConPar0Number of partition constructions
Boundary constructions
IntegernConBou4Number of constructions that have their outside surface exposed to the boundary of this room
IntegernSurBou5Number of surface heat transfer models that connect to constructions that are modeled outside of this room
Convective heat transfer
InteriorConvectionintConModBuildings.HeatTransfer.Types...Convective heat transfer model for room-facing surfaces of opaque constructions
CoefficientOfHeatTransferhIntFixed3.0Constant convection coefficient for room-facing surfaces of opaque constructions [W/(m2.K)]
ExteriorConvectionextConModBuildings.HeatTransfer.Types...Convective heat transfer model for exterior facing surfaces of opaque constructions
CoefficientOfHeatTransferhExtFixed10.0Constant convection coefficient for exterior facing surfaces of opaque constructions [W/(m2.K)]
Nominal condition
MassFlowRatem_flow_nominalV*1.2/3600Nominal mass flow rate [kg/s]
Advanced
BooleanhomotopyInitializationtrue= true, use homotopy method
Dynamics
Equations
DynamicsenergyDynamicsModelica.Fluid.Types.Dynamic...Formulation of energy balance
DynamicsmassDynamicsenergyDynamicsFormulation of mass balance
RealmSenFac1Factor for scaling the sensible thermal mass of the volume
Initialization
AbsolutePressurep_startMedium.p_defaultStart value of pressure [Pa]
TemperatureT_startMedium.T_defaultStart value of temperature [K]
MassFractionX_start[Medium.nX]Medium.X_defaultStart value of mass fractions m_i/m [kg/kg]
ExtraPropertyC_start[Medium.nC]fill(0, Medium.nC)Start value of trace substances
ExtraPropertyC_nominal[Medium.nC]fill(1E-2, Medium.nC)Nominal value of trace substances. (Set to typical order of magnitude.)

Connectors

TypeNameDescription
VesselFluidPorts_bports[nPorts]Fluid inlets and outlets
HeatPort_aheaPorAirHeat port to air volume
HeatPort_aheaPorRadHeat port for radiative heat gain and radiative temperature
HeatPort_asurf_conBou[nConBou]Heat port at surface b of construction conBou
HeatPort_asurf_surBou[nSurBou]Heat port of surface that is connected to the room air
input RealInputqGai_flow[3]Radiant, convective and latent heat input into room (positive if heat gain) [W/m2]
BusweaBus 
input RealInputuSha[nConExtWin]Control signal for the shading device (removed if no shade is present)

Modelica definition

model TestCellFullBed "Model of LBNL User Test Facility Cell X3A intended for connection with X3B.TestCell" extends Buildings.Rooms.MixedAir(AFlo=60.97, nSurBou=5, nConPar=0, nConBou=4, nConExt=4, nConExtWin=1, hRoo=3.6576, surBou( A = {6.645*3.09, 6.645*1.51, 6.645*0.91, 6.645*3.65, 3.6575 * 9.144}, each absIR=0.9, each absSol=0.9, til={Buildings.Types.Tilt.Floor, Buildings.Types.Tilt.Floor, Buildings.Types.Tilt.Floor, Buildings.Types.Tilt.Floor, Buildings.Types.Tilt.Wall}), datConExt( layers={extDoo, R16p8Wal, R20Wal, bedDiv}, A={1.3716 * 2.39, 3.6576*2.52-2.39*1.3716, 6.6675*9.144, 3.6576 * 1.524}, til={Buildings.Types.Tilt.Wall, Buildings.Types.Tilt.Wall, Buildings.Types.Tilt.Ceiling, Buildings.Types.Tilt.Wall}, azi={Buildings.Types.Azimuth.N,Buildings.Types.Azimuth.N, Buildings.Types.Azimuth.S, Buildings.Types.Azimuth.W}), datConBou( layers = {bedDiv, parCon, parDoo, R52Wal}, A = {3.6576 * 7.62, 3.6576*2.886075-2.39*1.22, 2.39*1.22, 3.6576*1.2614}, til = {Buildings.Types.Tilt.Wall, Buildings.Types.Tilt.Wall, Buildings.Types.Tilt.Wall, Buildings.Types.Tilt.Wall}, azi = {Buildings.Types.Azimuth.W, Buildings.Types.Azimuth.N, Buildings.Types.Azimuth.N, Buildings.Types.Azimuth.N}), datConExtWin( layers={R16p8Wal}, A={6.6675*3.6576}, glaSys={glaSys}, hWin={1.8288}, wWin={5.88}, til={Buildings.Types.Tilt.Wall}, azi={Buildings.Types.Azimuth.S}), intConMod=Buildings.HeatTransfer.Types.InteriorConvection.Temperature, extConMod=Buildings.HeatTransfer.Types.ExteriorConvection.TemperatureWind, lat=0.66098585832754); replaceable Data.Constructions.OpaqueConstructions.ExteriorConstructions.Construction10and23 R16p8Wal; replaceable Data.Constructions.OpaqueConstructions.DividingWalls.CellAndElectricalDividingWall R52Wal; replaceable Data.Constructions.OpaqueConstructions.Roofs.ASHRAE_901_2010Roof R20Wal; replaceable Data.Constructions.GlazingSystems.ASHRAE901Gla glaSys; replaceable Data.Constructions.OpaqueConstructions.PartitionConstructions.PartitionWall parCon; replaceable Data.Constructions.OpaqueConstructions.DividingWalls.TestCellDividngWall celDiv "Construction of wall connecting to cell UF90X3B"; replaceable Data.Constructions.OpaqueConstructions.DividingWalls.TestBedDividingWall bedDiv "Construction of wall connecting to cell UF90X2B"; replaceable Data.Constructions.OpaqueConstructions.PartitionConstructions.PartitionDoor parDoo "Door used in partition walls in FLEXLAB test cells"; replaceable Data.Constructions.OpaqueConstructions.ExteriorConstructions.ExteriorDoorInsulated extDoo "Construction of an exterior door"; end TestCellFullBed;

Automatically generated Thu Apr 9 09:39:05 2015.