LBL logo

Buildings.Controls.Predictors.Examples

Collection of models that illustrate model use and test models

Information

This package contains examples models for load predictors.

Extends from Modelica.Icons.ExamplesPackage (Icon for packages containing runnable examples).

Package Content

Name Description
Buildings.Controls.Predictors.Examples.BESTEST BESTEST This example applies the load prediction to a BESTEST model

Buildings.Controls.Predictors.Examples.BESTEST Buildings.Controls.Predictors.Examples.BESTEST

This example applies the load prediction to a BESTEST model

Buildings.Controls.Predictors.Examples.BESTEST

Information

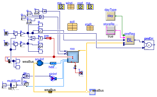
This example applies the load prediction to the heating load of BESTEST case 600. On the right hand side of the model is the load prediction. It is configured to compute a regression based on the outdoor temperature. The output of the load prediction is compared with the actual heating power. This comparison is done in the block preErr which outputs the prediction error, normalized by the roughly the maximum heating power.

The figure below shows the predicted and simulated heating power, and the normalized prediction error.

Result comparison

Extends from Buildings.Rooms.Validation.BESTEST.Case600 (Case 600FF, but with dual-setpoint for heating and cooling).

Parameters

TypeNameDefaultDescription
AngleS_Buildings.Types.Azimuth.SAzimuth for south walls [rad]
AngleE_Buildings.Types.Azimuth.EAzimuth for east walls [rad]
AngleW_Buildings.Types.Azimuth.WAzimuth for west walls [rad]
AngleN_Buildings.Types.Azimuth.NAzimuth for north walls [rad]
AngleC_Buildings.Types.Tilt.CeilingTilt for ceiling [rad]
AngleF_Buildings.Types.Tilt.FloorTilt for floor [rad]
AngleZ_Buildings.Types.Tilt.WallTilt for wall [rad]
IntegernConExtWin1Number of constructions with a window
IntegernConBou1Number of surface that are connected to constructions that are modeled inside the room
GenericmatExtWal Exterior wall
GenericmatFlo Floor
Genericsoil Soil properties
Genericroof Roof
StandardResultsstaResredeclare Buildings.Rooms.Va...Reference results from ASHRAE/ANSI Standard 140

Connectors

TypeNameDescription
BusweaBus 

Modelica definition

model BESTEST "This example applies the load prediction to a BESTEST model" extends Buildings.Rooms.Validation.BESTEST.Case600; ElectricalLoad preReg(predictionModel=Buildings.Controls.Predictors.Types.PredictionModel.WeatherRegression) "Load prediction based on regression"; Sources.DayType dayType(days={Buildings.Controls.Types.Day.WorkingDay}) "Day type, set to use always the same day as BESTEST case 600 has no weekly schedule"; Modelica.Blocks.Sources.BooleanConstant storeResults "Boolean signal to store the results for the regression"; Modelica.Blocks.Math.Add preErr(k1=1/4000, k2=-1/4000) "Prediction error, normalized by peak power"; equation connect(dayType.y, preReg.typeOfDay); connect(storeResults.y, preReg.storeHistory); connect(EHea.y, preReg.ECon); connect(weaBus.TDryBul, preReg.TOut); connect(preErr.u2, gaiHea.y); connect(preErr.u1, preReg.PPre[1]); end BESTEST;

Automatically generated Thu Apr 9 09:32:57 2015.